Болт М10 DIN 580 рым-болт стальной цинк
Описание
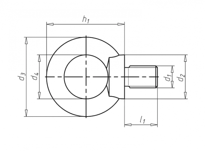
Аналоги ГОСТ EN ISO имеют несущественные отличия в размере на некоторых диаметрах.
| d | d2 | d3 | d4 | h | L |
| М10 | 25 | 45 | 25 | 45 | 17 |
Актуальную цену и наличие товара просьба уточнять у менеджера!
Характеристики
Тип изделия
Болт
DIN
580
ГОСТ
4751-73
ISO
3266
Размер резьбы M
M10
Длина «L»
17
Материал
Сталь
Покрытие
Цинк
Популярные товары
ЗАКЛЕПОЧНИК ABSOLUT SK100617 600 ₽
Заклепка резьбовая потайной бортик М31,79 ₽
ЗАКЛЕПОЧНИК AIRPRO SA890757 654 ₽Помощь
+7 (921) 878-54-94
Отдел продаж
Если у вас возникли вопросы при оформлении заказа, обратитесь по указанным контактам.
























































