3156163RUB
Болт М10 DIN 609 стальной 8.8 без покрытия
Описание
Аналоги ГОСТ EN ISO имеют несущественные отличия в размере на некоторых диаметрах.
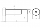
| d1 | d2 | k | s | L | L2 |
| М10 | 11 | 6.4 | 16 | 30 - 100 | 17.5 - 24.5 |
Актуальную цену и наличие товара просьба уточнять у менеджера!
Характеристики
Тип изделия
Болт
DIN
609
ГОСТ
7817-80
Размер резьбы M
M10
Длина «L»
45, 50, 55
Материал
Сталь
Покрытие
Без покрытия
Класс прочности
8.8
Популярные товары
ЗАКЛЕПОЧНИК ABSOLUT SK100617 600 ₽
Заклепка резьбовая потайной бортик М31,79 ₽
ЗАКЛЕПОЧНИК AIRPRO SA890757 654 ₽Помощь
+7 (921) 878-54-94
Отдел продаж
Если у вас возникли вопросы при оформлении заказа, обратитесь по указанным контактам.
























































