3455473RUB
Болт М20 DIN 609 стальной 8.8 без покрытия
Описание
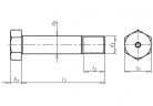
Аналоги ГОСТ EN ISO имеют несущественные отличия в размере на некоторых диаметрах.
| d1 | d2 | k | s | L | L2 |
| М20 | 21 | 12.5 | 30 | 45 - 200 | 28.5 - 35.5 |
Актуальную цену и наличие товара просьба уточнять у менеджера!
Характеристики
Тип изделия
Болт
DIN
609
ГОСТ
7817-80
Размер резьбы M
М20
Длина «L»
65, 70, 75
Материал
Сталь
Покрытие
Без покрытия
Класс прочности
8.8
Популярные товары
ЗАКЛЕПОЧНИК ABSOLUT SK100617 600 ₽
Заклепка резьбовая потайной бортик М31,79 ₽
ЗАКЛЕПОЧНИК AIRPRO SA890757 654 ₽Помощь
+7 (921) 878-54-94
Отдел продаж
Если у вас возникли вопросы при оформлении заказа, обратитесь по указанным контактам.
























































