397101RUB
Болт М8 DIN 610 стальной 8.8 без покрытия
Описание
Аналоги ГОСТ EN ISO имеют несущественные отличия в размере на некоторых диаметрах.
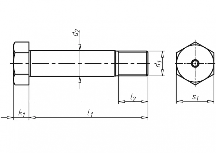
| d1 | d2 | k | s | L | L2 |
| М8 | 9 | 5.3 | 13 | 25 - 80 | 12 - 19 |
Актуальную цену и наличие товара просьба уточнять у менеджера!
Характеристики
Тип изделия
Болт
DIN
610
Размер резьбы M
M8
Длина «L»
25, 30, 35
Материал
Сталь
Покрытие
Без покрытия
Класс прочности
8.8
Популярные товары
ЗАКЛЕПОЧНИК ABSOLUT SK100617 600 ₽
Заклепка резьбовая потайной бортик М31,79 ₽
ЗАКЛЕПОЧНИК AIRPRO SA890771 546 ₽Помощь
+7 (921) 878-54-94
Отдел продаж
Если у вас возникли вопросы при оформлении заказа, обратитесь по указанным контактам.
























































