Гайка М42 DIN 1804 стальная 4 без покрытия
Описание
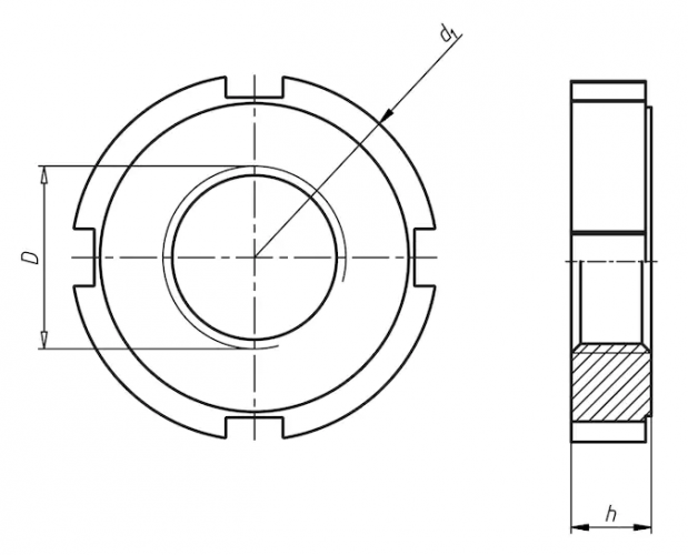
Аналоги ГОСТ EN ISO могут иметь несущественные отличия в размере на некоторых диаметрах.
| D | d1 | h | шаг резьбы |
| М42 | 62 | 11 | 1.5 |
Характеристики
Тип изделия
Гайка
DIN
1804
ГОСТ
11871-88
Размер резьбы M
M16
Материал
Сталь
Покрытие
Без покрытия
Класс прочности
4
Артикул
18044242
Популярные товары
ЗАКЛЕПОЧНИК ABSOLUT SK100617 600 ₽
Заклепка резьбовая потайной бортик М31,79 ₽
ЗАКЛЕПОЧНИК AIRPRO SA890757 654 ₽Помощь
+7 (921) 878-54-94
Отдел продаж
Если у вас возникли вопросы при оформлении заказа, обратитесь по указанным контактам.
























































