Гайка приварная DIN 928 М10 стальная
Описание
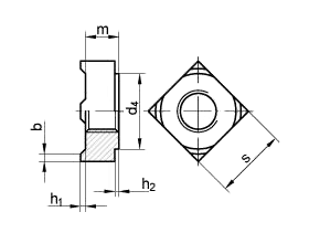
| Артикул | d | b | d2 | h1 | h2 | m | s |
| 009280000100000 | М10 | 1.8 | 15.6 | 1.2 | 1.25 | 8 | 17 |
Характеристики
Тип приварки
Гайка
Тип сварки
Конденсаторная сварка CD
Размер резьбы M
M10
Материал
Сталь
Популярные товары
ЗАКЛЕПОЧНИК ABSOLUT SK100617 600 ₽
Заклепка резьбовая потайной бортик М31,79 ₽
ЗАКЛЕПОЧНИК AIRPRO SA890757 654 ₽Помощь
+7 (921) 878-54-94
Отдел продаж
Если у вас возникли вопросы при оформлении заказа, обратитесь по указанным контактам.
























































