Гайка приварная DIN 928 М12 стальная
Описание
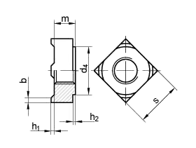
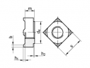
| Артикул | d | b | d2 | h1 | h2 | m | s |
| 009280000120000 | М12 | 2 | 17.4 | 1.4 | 1.75 | 9.5 | 19 |
Характеристики
Тип приварки
Гайка
Тип сварки
Конденсаторная сварка CD
Размер резьбы M
M12
Материал
Сталь
Популярные товары
ЗАКЛЕПОЧНИК ABSOLUT SK100617 600 ₽
Заклепка резьбовая потайной бортик М31,79 ₽
ЗАКЛЕПОЧНИК AIRPRO SA890771 546 ₽Помощь
+7 (921) 878-54-94
Отдел продаж
Если у вас возникли вопросы при оформлении заказа, обратитесь по указанным контактам.
























































