Гайка приварная DIN 928 М8 стальная
Описание
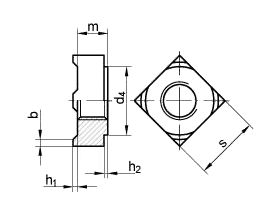
| Артикул | d | b | d2 | h1 | h2 | m | s |
| 009280000080000 | M8 | 1.5 | 12.8 | 1 | 1.1 | 6.5 | 14 |
Характеристики
Тип приварки
Гайка
Тип сварки
Конденсаторная сварка CD
Размер резьбы M
M8
Материал
Сталь
Популярные товары
ЗАКЛЕПОЧНИК ABSOLUT SK100617 600 ₽
Заклепка резьбовая потайной бортик М31,79 ₽
ЗАКЛЕПОЧНИК AIRPRO SA890757 654 ₽Помощь
+7 (921) 878-54-94
Отдел продаж
Если у вас возникли вопросы при оформлении заказа, обратитесь по указанным контактам.
























































