Гайка приварная DIN 929 М10 нержавеющая сталь А2
Описание
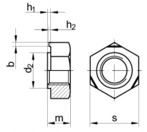
| Артикул | d | b | d2 | h1 | h2 | m | s |
| 009299200100000 | М10 | 1.25 | 12.5 | 1.15 | 0.65 | 8 | 17 |
Характеристики
DIN
929
Тип приварки
Гайка
Тип сварки
Конденсаторная сварка CD
Размер резьбы M
M10
Материал
Нержавеющая сталь А2
Популярные товары
ЗАКЛЕПОЧНИК ABSOLUT SK100617 600 ₽
Заклепка резьбовая потайной бортик М31,79 ₽
ЗАКЛЕПОЧНИК AIRPRO SA890771 546 ₽Помощь
+7 (921) 878-54-94
Отдел продаж
Если у вас возникли вопросы при оформлении заказа, обратитесь по указанным контактам.
























































