Втулка запрессовочная М3х10 закрытая BSO стальная
Покупатели, которые приобрели Втулка запрессовочная М3х10 закрытая BSO стальная, также купили
Описание
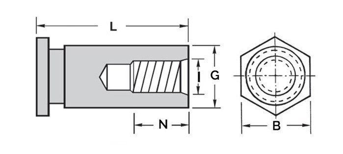
| Артикул | Размер резьбы М | Min толщина листа |
B |
Диаметр отверстия +0.08 | G -0.13 | L | Min расстояние от края | N | I +/-0.13 |
| 15CFBSOM3‑10 | M3 | 1 | 4.8 | 4.2 | 4.19 | 10 | 6 | 5 | 3.2 |
Аналоги: 358 404, rivit 1142100, BSO-M3-10.
Актуальную цену и наличие товара просьба уточнять у менеджера!
Характеристики
Тип запрессовки
Втулка запрессовочная
Размер резьбы M
M3
Длина «L»
10
Материал
Сталь
Популярные товары
ЗАКЛЕПОЧНИК ABSOLUT SK100617 600 ₽
Заклепка резьбовая потайной бортик М31,79 ₽
ЗАКЛЕПОЧНИК AIRPRO SA890757 654 ₽Помощь
+7 (921) 878-54-94
Отдел продаж
Если у вас возникли вопросы при оформлении заказа, обратитесь по указанным контактам.



























































