Втулка запрессовочная М3х6 SO стальная
Покупатели, которые приобрели Втулка запрессовочная М3х6 SO стальная, также купили
Описание
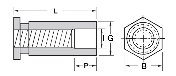
| Артикул | Размер резьбы М | Min толщина листа |
B |
Диаметр отверстия +0.08 | G -0.13 | P | L | Min расстояние от края | I +/-0.13 |
| 15CFSOM3‑06 | M3 | 1 | 4.8 | 4.2 | 4.19 | 0 | 6 | 6 | 3.2 |
Аналоги: 358 332, rivit 1143900, SO-M3-06.
Актуальную цену и наличие товара просьба уточнять у менеджера!
Характеристики
Тип запрессовки
Втулка запрессовочная
Размер резьбы M
M3
Длина «L»
6
Материал
Сталь
Популярные товары
ЗАКЛЕПОЧНИК ABSOLUT SK100617 600 ₽
Заклепка резьбовая потайной бортик М31,79 ₽
ЗАКЛЕПОЧНИК AIRPRO SA890771 546 ₽Помощь
+7 (921) 878-54-94
Отдел продаж
Если у вас возникли вопросы при оформлении заказа, обратитесь по указанным контактам.


























































