Втулка запрессовочная М5х10 SO стальная
Покупатели, которые приобрели Втулка запрессовочная М5х10 SO стальная, также купили
Описание
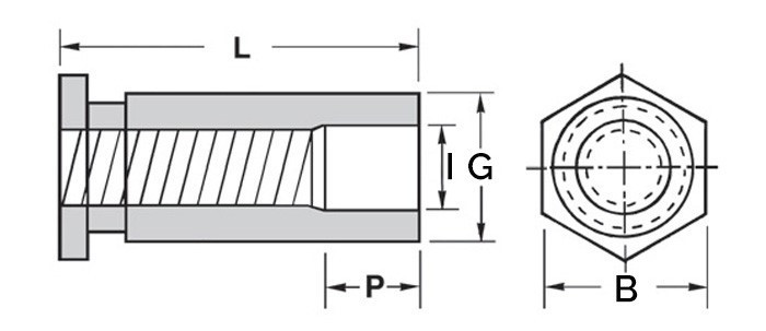
| Артикул | Размер резьбы М | Min толщина листа |
B |
Диаметр отверстия +0.08 |
G -0.13 | P | L | Min расстояние от края |
I +/-0.13 |
| 15CFSOM5‑10 | M5 | 1.3 | 7.9 | 7.2 | 7.11 | 4 | 10 | 8 | 5.2 |
Аналоги: 358 365, rivit 1144800, SO-M5-10.
Актуальную цену и наличие товара просьба уточнять у менеджера!
Характеристики
Тип запрессовки
Втулка запрессовочная
Размер резьбы M
M5
Длина «L»
10
Материал
Сталь
Популярные товары
ЗАКЛЕПОЧНИК ABSOLUT SK100617 600 ₽
Заклепка резьбовая потайной бортик М31,79 ₽
ЗАКЛЕПОЧНИК AIRPRO SA890771 546 ₽Помощь
+7 (921) 878-54-94
Отдел продаж
Если у вас возникли вопросы при оформлении заказа, обратитесь по указанным контактам.
































































