Шпилька запрессовочная М5х50 усиленная стальная HCH
Описание
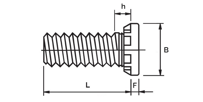
| Артикул | Размер резьбы М | h Max | Min толщина листа |
B +/- 0.25 |
Диаметр отверстия +0.08 |
L | Min расстояние от края | F Max |
| 15HCHM5‑50 | M5 | 2.7 | 1.3 | 7.8 | 5 | 50 | 10.7 | 1.14 |
Характеристики
Тип запрессовки
Шпилька запрессовочная
Размер резьбы M
M5
Длина «L»
50
Материал
Сталь
Популярные товары
ЗАКЛЕПОЧНИК ABSOLUT SK100617 600 ₽
Заклепка резьбовая потайной бортик М31,79 ₽
ЗАКЛЕПОЧНИК AIRPRO SA890771 546 ₽Помощь
+7 (921) 878-54-94
Отдел продаж
Если у вас возникли вопросы при оформлении заказа, обратитесь по указанным контактам.
























































