223RUB
Шуруп 2 DIN 96 стальной цинк
Описание
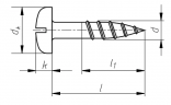
Аналоги ГОСТ EN ISO могут иметь несущественные отличия в размере на некоторых диаметрах.
| d | dk | k | L max | L1 |
| 2 | 4 | 1.4 | 20 | ≥ 0.6 l |
Характеристики
Тип изделия
Саморез/ Шуруп
DIN
96
ГОСТ
1144-80
Размер резьбы
2
Длина «L»
10, 12
Материал
Сталь
Покрытие
Цинк
Под ключ
Прямой шлиц
Популярные товары
ЗАКЛЕПОЧНИК ABSOLUT SK100617 600 ₽
Заклепка резьбовая потайной бортик М31,79 ₽
ЗАКЛЕПОЧНИК AIRPRO SA890757 654 ₽Помощь
+7 (921) 878-54-94
Отдел продаж
Если у вас возникли вопросы при оформлении заказа, обратитесь по указанным контактам.
























































