Шайба М8 DIN 1441 стальная цинк
Описание
Аналоги ГОСТ EN ISO могут иметь несущественные отличия в размере и/или характеристиках.
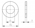
| Диаметр резьбы крепежа | d1 | d2 | h |
| М8 | 9 | 16 | 2 |
Характеристики
Тип изделия
Шайба
DIN
1441
Размер резьбы M
M8
Диаметр, мм
9
Материал
Сталь
Покрытие
Цинк
Класс точности
C
Артикул
1441008
Популярные товары
ЗАКЛЕПОЧНИК ABSOLUT SK100617 600 ₽
Заклепка резьбовая потайной бортик М31,79 ₽
ЗАКЛЕПОЧНИК AIRPRO SA890771 546 ₽Помощь
+7 (921) 878-54-94
Отдел продаж
Если у вас возникли вопросы при оформлении заказа, обратитесь по указанным контактам.
























































