Шайба D20 DIN 988 стальная цинк
Описание
Аналоги ГОСТ EN ISO могут иметь несущественные отличия в размере и/или характеристиках.
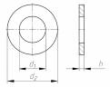
| d1 | d2 | h max |
| 20 | 28 | 2 |
Характеристики
Тип изделия
Шайба
DIN
988
Диаметр, мм
20
Материал
Сталь
Покрытие
Цинк
Популярные товары
ЗАКЛЕПОЧНИК ABSOLUT SK100617 600 ₽
Заклепка резьбовая потайной бортик М31,79 ₽
ЗАКЛЕПОЧНИК AIRPRO SA890757 654 ₽Помощь
+7 (921) 878-54-94
Отдел продаж
Если у вас возникли вопросы при оформлении заказа, обратитесь по указанным контактам.
























































