Шайба D25 DIN 1440 стальная 100 HV цинк
Описание
Аналоги ГОСТ EN ISO могут иметь несущественные отличия в размере и/или характеристиках.
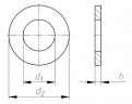
| d1 | d2 | h |
| 25 | 40 | 4 |
Характеристики
Тип изделия
Шайба
DIN
1440
ISO
8738
Диаметр, мм
25
Материал
Сталь 100 HV
Покрытие
Цинк
Класс точности
A
Артикул
144010025
Популярные товары
ЗАКЛЕПОЧНИК ABSOLUT SK100617 600 ₽
Заклепка резьбовая потайной бортик М31,79 ₽
ЗАКЛЕПОЧНИК AIRPRO SA890771 546 ₽Помощь
+7 (921) 878-54-94
Отдел продаж
Если у вас возникли вопросы при оформлении заказа, обратитесь по указанным контактам.
























































