Шайба М3 DIN 125 A нержавеющая сталь А2
Описание
Аналоги ГОСТ EN ISO могут иметь несущественные отличия в размере на некоторых диаметрах.
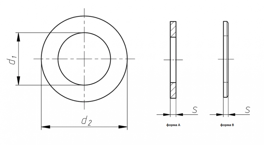
| Диаметр резьбы крепежа | d1 | d2 | s |
| М3 | 3.2 | 7 | 0.5 |
Характеристики
Тип изделия
Шайба
DIN
125
ГОСТ
9649-78, 11371-78
ISO
7089, 7090
Размер резьбы M
M3
Материал
Нержавеющая сталь А2
Форма
A
Артикул
1253043
Популярные товары
ЗАКЛЕПОЧНИК ABSOLUT SK100617 600 ₽
Заклепка резьбовая потайной бортик М31,79 ₽
ЗАКЛЕПОЧНИК AIRPRO SA890771 546 ₽Помощь
+7 (921) 878-54-94
Отдел продаж
Если у вас возникли вопросы при оформлении заказа, обратитесь по указанным контактам.
























































