Шайба М8 DIN 125 A стальная 140 HV цинк
Описание
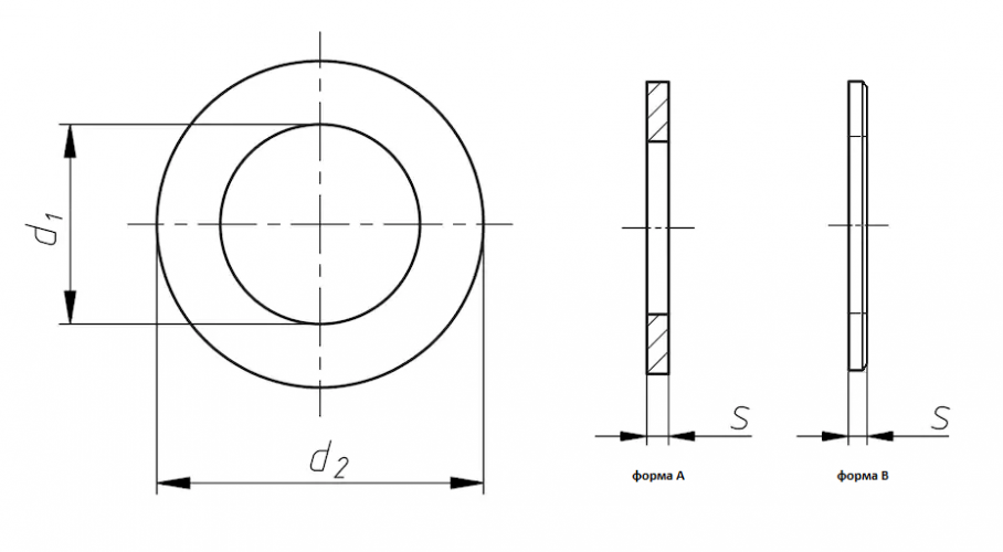
Аналоги ГОСТ EN ISO могут иметь несущественные отличия в размере на некоторых диаметрах.
| Диаметр резьбы крепежа | d1 | d2 | s |
| М8 | 8.4 | 16 | 1.6 |
Характеристики
Тип изделия
Шайба
DIN
125
ГОСТ
9649-78, 11371-78
ISO
7089, 7090
Размер резьбы M
M8
Материал
Сталь 140 HV
Покрытие
Цинк
Форма
A
Артикул
1251408
Популярные товары
ЗАКЛЕПОЧНИК ABSOLUT SK100617 600 ₽
Заклепка резьбовая потайной бортик М31,79 ₽
ЗАКЛЕПОЧНИК AIRPRO SA890771 546 ₽Помощь
+7 (921) 878-54-94
Отдел продаж
Если у вас возникли вопросы при оформлении заказа, обратитесь по указанным контактам.
























































