2240320RUB
Винт М16 DIN 479 стальной 8.8 без покрытия
Описание
Аналоги ГОСТ EN ISO имеют несущественные отличия в размере на некоторых диаметрах.
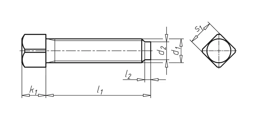
| d1 | d2 | s1 | k1 | L1 | L2 |
| М16 | 12 | 16/17 | 16 | 40 - 120 | 4 |
Актуальную цену и наличие товара просьба уточнять у менеджера!
Характеристики
Тип изделия
Винт
DIN
479
ГОСТ
1482-84, 1485-84
Размер резьбы M
M16
Длина «L»
50, 70
Материал
Сталь
Покрытие
Без покрытия
Класс прочности
8.8
Популярные товары
ЗАКЛЕПОЧНИК ABSOLUT SK100617 600 ₽
Заклепка резьбовая потайной бортик М31,79 ₽
ЗАКЛЕПОЧНИК AIRPRO SA890771 546 ₽Помощь
+7 (921) 878-54-94
Отдел продаж
Если у вас возникли вопросы при оформлении заказа, обратитесь по указанным контактам.
























































