369RUB
Винт М6 DIN 417 стальной 4.8 без покрытия
Описание
Аналоги ГОСТ EN ISO имеют несущественные отличия в размере на некоторых диаметрах.
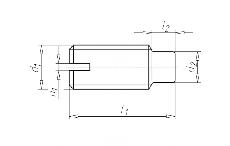
| d1 | d2 | L2 | n | L |
| М6 | 4 | 3 | 1 | 5 - 35 |
Актуальную цену и наличие товара просьба уточнять у менеджера!
Характеристики
Тип изделия
Винт
DIN
417
ГОСТ
1478-93
ISO
7435
Размер резьбы M
M6
Длина «L»
10, 12, 16
Материал
Сталь
Покрытие
Без покрытия
Класс прочности
4.8
Под ключ
Прямой шлиц
Популярные товары
ЗАКЛЕПОЧНИК ABSOLUT SK100617 600 ₽
Заклепка резьбовая потайной бортик М31,79 ₽
ЗАКЛЕПОЧНИК AIRPRO SA890771 546 ₽Помощь
+7 (921) 878-54-94
Отдел продаж
Если у вас возникли вопросы при оформлении заказа, обратитесь по указанным контактам.
























































