21922RUB
Винт М6 DIN 553 стальной 14 Н без покрытия
Описание
Аналоги ГОСТ EN ISO имеют несущественные отличия в размере на некоторых диаметрах.
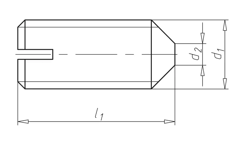
| d1 | d2 | L1 |
| М6 | 1.5 | 4 - 60 |
Актуальную цену и наличие товара просьба уточнять у менеджера!
Характеристики
Тип изделия
Винт
DIN
553
ГОСТ
1476-93
ISO
7434
Размер резьбы M
M6
Длина «L»
30, 40
Материал
Сталь 14 Н
Покрытие
Без покрытия
Под ключ
Прямой шлиц
Популярные товары
ЗАКЛЕПОЧНИК ABSOLUT SK100617 600 ₽
Заклепка резьбовая потайной бортик М31,79 ₽
ЗАКЛЕПОЧНИК AIRPRO SA890757 654 ₽Помощь
+7 (921) 878-54-94
Отдел продаж
Если у вас возникли вопросы при оформлении заказа, обратитесь по указанным контактам.
























































