223RUB
Винт М6 DIN 916 стальной 45 Н без покрытия
Описание
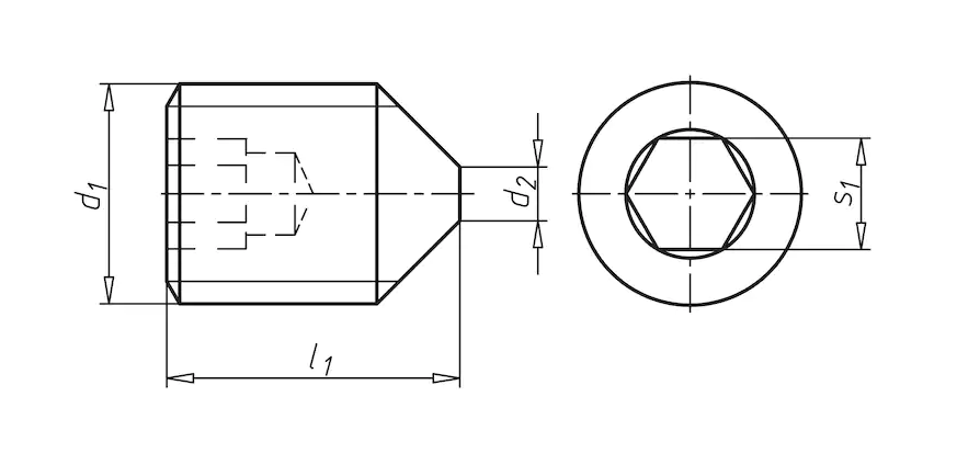
Аналоги ГОСТ EN ISO могут иметь несущественные отличия в размере на некоторых диаметрах.
| d1 | d2 | s1 | L1 |
| М6 | 2.75 - 3 | 3 | 6 - 40 |
Актуальную цену и наличие товара просьба уточнять у менеджера!
Характеристики
Тип изделия
Винт
DIN
916
ГОСТ
28964-91
ISO
4029
Размер резьбы M
M6
Длина «L»
10, 12
Материал
Сталь 45 Н
Покрытие
Без покрытия
Под ключ
Внутренний шестигранник
Популярные товары
ЗАКЛЕПОЧНИК ABSOLUT SK100617 600 ₽
Заклепка резьбовая потайной бортик М31,79 ₽
ЗАКЛЕПОЧНИК AIRPRO SA890771 546 ₽Помощь
+7 (921) 878-54-94
Отдел продаж
Если у вас возникли вопросы при оформлении заказа, обратитесь по указанным контактам.
























































